提升新型电力系统宽频振荡稳定性的构网型储能设备优化配置方法
作者:胡朝华1 杜新伟1 苟竞1 刘文胜2 胡鹏飞3
单位:1. 国网四川省电力公司;2. 浙江大学工程师学院;3. 浙江大学电气工程学院
引用本文:胡朝华, 杜新伟, 苟竞, 等. 提升新型电力系统宽频振荡稳定性的构网型储能设备优化配置方法[J]. 储能科学与技术, 2025, 14(12): 4583-4593.
DOI:10.19799/j.cnki.2095-4239.2025.0559
本文亮点:1.首次提出从变流器导纳建模-稳定性分析-构网型储能设备配置的完整技术链条 2.以往的研究都是针对于单个谐振模态,首次针对多个谐振模态引入优化算法进行解决 3.首次将s域模态分析法应用构网型储能设备的优化配置。
摘 要 构网型储能设备(grid-forming energy storage system,GFM-ESS)因具备主动构网和提供惯量支持等能力,已成为解决大规模新能源接入引发宽频振荡问题的重要手段。然而,GFM-ESS的容量配置直接影响系统投资成本,在保障系统稳定性的前提下如何实现其经济性配置,成为当前研究热点。现有研究多侧重于提升系统稳定裕度,较少考虑GFM-ESS容量与选址的协同优化,且缺乏统一的量化指标指导配置方案的制定。为此,本工作基于s域模态分析理论,构建了一条集模态识别、关键节点筛选与容量协同优化于一体的完整技术链条,并提出一种考虑经济性约束的GFM-ESS容量与选址协同优化方法。首先,通过归一化模态参与因子对各母线的振荡模态贡献进行定量评估,识别影响不稳定模态的关键节点;针对系统多模态振荡特性,引入粒子群优化(particle swarm optimization,PSO)算法,在预选节点上对储能容量进行协同优化,以满足预设的稳定裕度指标。仿真结果表明,所提技术链能够有效识别关键控制节点,并以较小的GFM-ESS投入容量将原本不稳定的系统恢复至稳定状态,且具备明确的稳定裕度,为新型电力系统中GFM-ESS的合理配置提供了理论支撑。
关键词 构网型储能;s域模态分析;归一化参与因子;优化配置;经济性约束
随着全球能源结构深度调整,以高比例新能源为主体的新型电力系统逐渐成为研究重点。然而,基于电力电子的新能源设备大规模接入电网,改变了系统的动态特性,导致谐振稳定性问题日益突出。近年来,新疆哈密、福建厦门等地区相继发生次同步振荡事件,相较于传统由电机轴系机电耦合引发的次同步振荡,新能源场景下的振荡机制更为复杂,且影响范围广、传播迅速,严重威胁系统运行安全。因此,研究新型电力系统的谐振稳定性,关键区域识别与振荡源定位,并制定有效策略以提升系统稳定裕度具有重要意义。
当前谐振稳定性分析方法主要可分为三类:奈奎斯特法、状态空间法与s域模态分析法。奈奎斯特法在结构简单的并网系统中应用广泛,但面对多节点耦合与复杂拓扑时,其评估能力受限;状态空间法虽能全面刻画系统的时域动态响应,却因状态变量众多导致建模与求解困难,且无法适应网络拓扑变化,灵活性较差。相比之下,基于导纳矩阵的s域模态分析法不仅建模过程简洁,且能自适应不同拓扑结构,有效辨识系统稳定信息并精准定位关键节点、元件参数,因而本研究选用该方法作为振荡分析工具。
基于s域模态分析法的分析结果,通过调整关键元件参数,可有效抑制谐振并提升稳定裕度。然而在既有系统中,元件参数调整操作复杂、代价高昂,而构网型设备(grid-forming devices,GFDs)的兴起为解决上述问题提供了新的思路。相比于锁相环(phase-locked loop,PLL)主导的跟网型变流器,GFDs模拟同步发电机的惯性和阻尼特性,在较宽频段上呈现正阻尼,可有效规避由负阻尼产生的谐振不稳定问题。如何在经济约束下合理配置GFDs以提高系统稳定裕度,成为领域研究的焦点。文献[14]通过充分考虑参与因子和潮流约束的影响,建立了αβ框架下的节点导纳模型,选择具有最大参与因子的有功节点作为GFDs的布局点位。然而该方法仅适用于单一主导谐振模态场景,在多模态下难以统一配置。文献[15-16]基于广义短路比(generalized short circuit radio,gSCR)提出GFDs接入策略,将GFDs对跟网型变流器的影响视为电网强度的改变,其稳定性的影响可等效为提高电网强度。此后,通过增加系统gSCR来确定GFDs的最优配置。然而,由于gSCR与主导极点之间的关系仍采用dq轴下的全系统导纳模型,所有变量都要转化为全局参考,因此多换流器系统的复杂性增加。文献[17-18]进一步引入多目标优化方法,结合优化算法,综合考虑稳定裕度、电压波动与投资成本,实现GFDs的协同选址与定容,在保障稳定性要求的同时兼顾经济性与鲁棒性。
综上,现有GFDs的规划、配置方面存在若干尚未攻克的挑战:①难以应对实际电网中多振荡模态耦合的场景;②不能同时兼顾稳定性和经济性要求;③推导过程步骤多、环节繁杂,计算量大。为此,本工作提出将s 域模态分析法与优化算法相结合,通过s域模态分析准确提取系统稳定信息,并构建兼顾稳定性与经济性的综合评价指标,引入优化算法实现GFDs的选址与定容优化配置。最后,基于数值仿真验证所提方法在指导GFDs优化配置中的可行性。
1 s域模态分析原理
对于如图1(a)所示的点对点/汇集式网络拓扑,可以将新能源设备阻抗和电网阻抗划分开来,通过奈奎斯特稳定判据获知潜在振荡风险。而对于图1(b)所示的网状拓扑,各场站之间存在复杂交互关系,难以精准地将电网阻抗、新能源阻抗独立划分。实际系统节点众多,各支路耦合密切,通过奈奎斯特稳定判据获知稳定性信息显然不适用。导纳矩阵能够准确描述电网详细拓扑结构、参数,s域模态分析法基于系统导纳矩阵,为得到复杂系统的稳定信息提供了新思路。
图 1 点对点/汇集式及环网拓扑结构
系统特征根与其导纳矩阵行列式零点相等,即仅需求解系统导纳矩阵行列式零点便可获知其稳定性信息。对于复杂新能源并网系统,首先需要根据拓扑结构以及系统元件如发电机、变压器线路参数等建立导纳矩阵Ynode(s)。对于新能源并网设备,其导纳传递函数可采用谐波线性化方法得到。根据新能源设备并网点位置,在导纳矩阵对角线对应位置添加其导纳传递函数,建立全系统导纳矩阵。对于已知的Ynode(s),其行列式零点等于系统特征根,因此判断系统稳定性只需求解式(1)即可。
![]() |
(1) |
式中,det()表示矩阵行列式运算。上述求解结果形式如式(2)所示。
![]() |
(2) |
式中,σ代表特征根实部,若所有特征根实部均小于0则代表系统稳定,反之,若存在大于0的特征根实部则代表系统不稳定;ω代表特征根虚部,对应不稳定特征根的谐振频率。其阻尼比和振荡频率可表示为
![]() |
(3) |
对于某一特征根sk[实部为正,且det[Ynode(sk)]=0],在后文中定义为谐振模态。基于导纳矩阵的奇异性,由矩阵所有特征值相乘的结果等于矩阵行列式的值可知,导纳矩阵Ynode(sk)必然存在一个特征值λ=0。将导纳矩阵Ynode(sk)进行对角化:
![]() |
(4) |
式中,V、W分别为导纳矩阵的左特征向量矩阵和右特征向量矩阵,
、
,且
;
代表特征值对角矩阵diag(λ1,λ2,
,λn)。结合上述对角化结果,节点电压电流关系可变换为
![]() |
(5) |
式中,U和I分别代表节点电压向量以及注入电流向量。谐振模态sk下发生谐振,对于某一微小注入电流,电压会出现极大值,由于在此谐振模态下导纳矩阵特征值存在极小值,即
存在极大值。定义模态电压Umode=WU和模态电流Imode=WI,式(5)可变换为:
![]() |
(6) |
式中,Umode_n表示节点n对应的模态电压;Imode_n表示节点n对应的模态电流;λn表示第n个对角元素对应的特征值。
假设出现零值的特征值为λm,则除λm外其他特征值的倒数均为零(这是为了突出λm的主导作用而做的简化分析),即不影响模态电压。先对模态电流Imode_m进行分析:
![]() |
(7) |
由式(7)可知,模态电流是由导纳矩阵的右特征向量对应行向量所决定,对应行中的元素可以决定模态电流的大小,这里将导纳矩阵的右特征向量定义为谐振可激励性。再对模态电压Umode_m进行分析:
![]() |
(8) |
由式(8)可知,模态电压在Umode_m处存在极大值,对应实际电路电压的大小主要由导纳矩阵的左特征向量对应列向量所决定,即电压的可观测程度是由导纳矩阵的左特征向量所决定的,这里将导纳矩阵的左特征向量定义为谐振可观测性。
分别定义第m列左特征向量Vm和第m行右特征向量Wm为谐振的关键观测向量和关键激励向量,由此推导得谐振参与因子为
![]() |
(9) |
由式(9)可知,参与因子PF的对角线元素反映了同一节点对于此谐振模态下可观测性和可激励性的结合,可以体现节点对谐振的关联程度[21-22]。参与因子对角线元素归一化后,可表示某一节点对于该谐振模态的影响,进一步可展现各节点对于谐振影响程度的强弱。归一化参与因子gPF可表示为
![]() |
(10) |
综上所述,基于s域模态分析理论判断新能源设备并网稳定性的具体流程可归纳为:
(1)对于并网新能源设备,根据其内部控制结构和参数,采用谐波线性化方法获取其精确导纳/阻抗传递函数;
(2)根据电网拓扑结构及参数,遵循导纳矩阵建立规则,构建包含新能源设备的全系统导纳矩阵;
(3)应用高效求根算法,求解全系统导纳矩阵行列式零点,即得到整个系统的谐振模态,根据谐振模态实部推测系统稳定信息,不稳定或薄弱谐振模态虚部则可反映谐振频率;
(4)将不稳定或薄弱谐振模态回代入导纳矩阵,结合矩阵特征分解计算归一化参与因子,用以定位谐振关键节点。
下面以一个4节点网络为例,具体说明s域模态分析法用以分析新能源系统稳定信息的具体流程。4节点环形拓扑网络如图2所示,其中节点1连接无穷大电源,节点2、3连接负荷设备,节点4连接新能源设备。首先建立4节点网络的数学模型,即包含新能源设备的全系统导纳矩阵Ygrid。求解det(Ygrid)=0得到如图2所示的谐振模态,在实际分析中为使系统留有一定的稳定裕度,规定谐振模态实部在满足稳定要求的同时小于规定阈值,若不满足则将其定义为待优化薄弱谐振模态。以模态实部阈值设置为-6为例,在图2所示的谐振模态分布图中,橙色区域为谐振模态实部大于0的区域,若该区域存在谐振模态则系统将失稳;蓝色区域为薄弱区域,区域内模态待优化;绿色区域为稳定区域,区域内模态无须进行模态分解求取参与因子。谐振模态分布图中的圆点表示待优化模态,叉号表示满足要求的谐振模态。将上述不稳定/薄弱区域的模态回代入导纳矩阵,并求取归一化参与因子,将参与因子较大的节点定义为关键节点,并将其作为GFM-ESS配置待定节点,至此完成s域模态分析法全流程。
图 2 4节点系统s域模态分析法流程
2 基于s域-PSO的GFM-ESS优化配置
GFM-ESS的正阻尼可以抵消由跟网型设备引起的负阻尼,从而抑制谐振,故可通过配置GFM-ESS以提高电力系统稳定裕度。本部分内容提出一种深度融合s域模态分析理论和PSO算法的GFM-ESS的优化配置方法。
由前文可知,基于s域模态分析理论可初步识别出各薄弱或不稳定模态的关键影响节点。然而,在这些关键节点上应配置容量多少的GFM-ESS仍不明确。为解决该问题,本工作将粒子群优化(PSO)算法引入s域模态分析方法中,在兼顾系统稳定性与经济性要求的基础上,确定GFM-ESS的最优配置方案。为实现经济性最优,以容量削减为优化目标,研究采用优化算法确定GFM-ESS配置的容量及选址方案。系统稳定性的度量基于系统谐振模态的实部特性,具体考虑所有模态实部的均值及均方根,以综合反映系统阻尼水平;同时引入与容量相关的成本项,形成如式(11)所示的综合优化目标函数。
![]() |
(11) |
式中,
为特征根的实部,
为预设的特征根实部阈值,N为特征根的个数;RMSE表示均方根;ak为整数,代表所用GFM-ESS的台数,k代表节点编号;
和
均为可变参数,可根据网络复杂度的不同变化调整。
将已确定的待选节点作为自变量,以式(11)为优化目标函数,采用PSO算法不断调整GFM-ESS在各待选节点的容量分配,直至系统稳定裕度满足预设要求,完整流程如图3所示。
图3 GFM-ESS配置全流程
以一个待提升稳定裕度的新能源系统为研究对象,该系统由于电力电子设备接入,存在稳定性不足、模态弱阻尼等问题,亟须通过配置GFM-ESS加以改进。
首先对包含新能源设备的电力系统进行建模,提取系统所有设备、元件的小信号模型,进而构造其s域导纳矩阵。基于s域模态分析基本理论,通过求解导纳矩阵行列式得到系统所有谐振模态,识别出薄弱/不稳定模态,并根据归一化参与因子定位对应的关键节点,为GFM-ESS的布设提供参考依据。
在大规模电力系统中,GFM-ESS配置优化计算复杂度往往随待选节点数量增加呈指数级增长。通过求解系统谐振模态对应的关键特征向量,并计算各节点对关键模态的归一化参与因子,可精准甄别对谐振贡献突出的节点,从而在保证整体优化结果基本不变的前提下,压缩待选节点规模,显著提升优化算法的收敛效率。
具体而言,对于每个谐振模态,首先按各节点归一化参与因子降序排序,随后依序累加其数值,当累计和达到预设阈值(如0.5)时即停止选取,所得节点集合作为GFM-ESS配置的候选位置。该阈值可结合电网拓扑结构、系统动态性能指标及控制目标的具体需求适当调整,以在计算效率与优化精度之间取得最优权衡。
对所有薄弱/不稳定的谐振模态对应的关键节点进行汇总,例如,若提取出2个薄弱/不稳定模态,其中模态1关键节点为1、2、3,模态2关键节点为2、4,则将节点1、2、3、4统一作为待选配置节点纳入GFM-ESS优化范围。同时,对拟配置的GFM-ESS设备,亦采用谐波线性化方法提取其导纳传递函数,以便与系统导纳矩阵进行耦合分析。在完成关键节点初步筛选后,引入PSO算法进一步确定GFM-ESS的最优选址与容量。通过循环迭代更新设备的布设方案,并在每轮中评估式(11)所定义的优化目标函数,最终获得一组使目标函数全局最优,且系统所有模态实部满足稳定裕度要求的GFM-ESS配置方案。
3 算例验证
3.1单机并网算例
采用图1(a)所示的点对点网络验证s域模态分析法用于稳定性分析的准确性。将变流器导纳和电网导纳分别用Yinverter和Yg来表示,最终矩阵为Yinverter+Yg形式,通过调整电网电感值并观测系统运行状况以验证所提方法。
分别取电网电感为Lg=10 mH、12.5 mH和14 mH,代入上述导纳矩阵进行计算。计算得出系统特征根分别为s1=-67.137±1038.390i、s2=-1.4170±971.213i、s3=27.391±947.933i,3种电感参数下分别对应系统稳定、临界稳定、发散失稳状态,在临界稳定和发散失稳状态,临界稳定振荡频率为154.57 Hz。仿真过程中,初始阶段电网电感取值为10 mH,在0.2 s时电网电感切换为12.5 mH,在0.4 s时电网电感切换为14 mH。
变流器并网结果如图4所示,由仿真图可知,在0~0.2 s内,变流器并网稳定;0.2~0.4 s处于临界稳定状态,并网电流波形呈等幅谐振状态,且FFT分析结果显示电流形成以154 Hz为中心的谐振峰,对应特征根求取结果;0.4 s后逆变器开始发散失稳,对应特征根实部为正的求取结果。
图4 变流器并网结果
在如图5所示的波特图中,Lg=14 mH时系统相位裕度为-6.16°,对应系统失稳,与仿真中0.4 s后系统发散失稳相对应。在Lg=10 mH时系统相位裕度为18.41°,对应仿真0~0.2 s时间内系统稳定。
图5 波特图分析结果
3.212节点算例网络
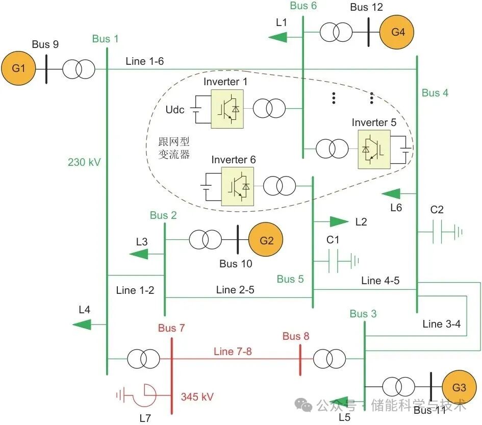
以典型12节点网络的稳定裕度提升问题为例,介绍应用PSO算法和s域模态分析法相结合进行GFM-ESS的优化配置全流程。典型12节点网络的拓扑结构如图6所示。节点5、节点6分别接入1台、5台跟网型变流器,单台变流器的额定功率为11 MW。
图6 含变流器的12节点网络
首先分析系统稳定裕度,根据已知系统参数,建立不包含任何新能源设备的导纳矩阵Ygrid12。对于跟网型变流器设备,假设通过谐波线性化方法得到的导纳传递函数为YPLL,因此全系统导纳矩阵的建立如式(12)所示:
![]() |
(12) |
全系统导纳矩阵建立完成后,采用扫频法在1~1000 Hz范围内求解系统谐振模态,结果如表1所示。在该频段内,系统共出现7个谐振模态。将实部稳定裕度阈值设为-6,则其中有2个模态不稳定或稳定裕度偏低,分别为1.7±1186.6i和3.2±1283.3i;其余模态均满足稳定要求。
表1 优化前系统模态 
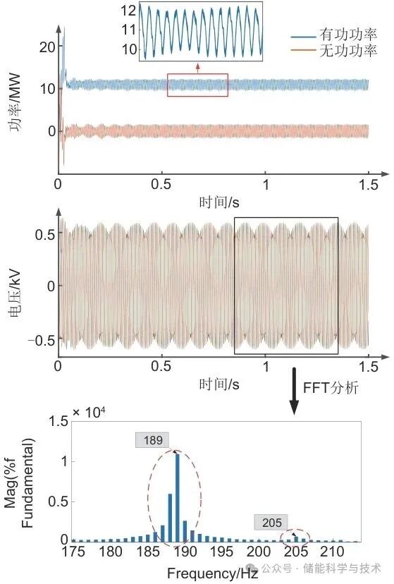
由于系统存在实部为正的模态,因此系统在正常运行状态下处于发散失稳状态。在MATLAB/Simulink中对该系统进行电磁暂态仿真,结果见图7。
图7 优化前系统仿真结果
3.2.1 GFM-ESS优化配置
与上述求解结果相对应,图7中的功率波形图显示出发散失稳现象,对应系统存在实部大于零的谐振模态。进一步的FFT分析结果表明,系统在189 Hz和205 Hz附近出现明显的谐振峰,分别对应振荡频率为188.86 Hz和204.24 Hz的2个不稳定谐振模态,这验证了基于s域导纳矩阵求解系统谐振模态的准确性。
对上述不稳定谐振模态进行模态分析,并计算其归一化参与因子,结果如图8所示。对于谐振模态1.7±1186.6i,参与度最高的节点依次为节点6、节点12和节点8。当将归一化参与因子之和大于0.5作为阈值时,该模态的关键节点为节点6和节点12。对于谐振模态3.2±1283.3i,主要影响节点为节点6、节点12和节点5,同样在阈值0.5的情况下,关键节点仍为节点6和节点12。该阈值可根据网络结构灵活调整。在当前的12节点新能源系统中,2个不稳定模态均以节点6和节点12为关键节点,因此将其作为待定节点,参与后续的GFM-ESS优化配置。
图8 不稳定模态归一化参与因子
在满足所有模态实部均小于-6的稳定裕度要求的前提下,本研究将GFM-ESS的容量定为3 MW,并引入PSO算法开展循环寻优。在优化过程中,不断调整节点6与节点12上GFM-ESS的容量分配,每次调整后均重新构建系统的s域导纳矩阵,并计算1~1000 Hz频段内的谐振模态,以检查是否满足稳定裕度要求及计算目标函数。设置PSO算法粒子群规模为30,最大迭代次数为50,并设置初始配置容量为150 MW,最终目标函数收敛至19.9798。
优化结果表明,在节点6和节点12上分别配置容量54 MW和6 MW,共60 MW,能够满足所有模态实部小于-6的稳定性指标,并在很大程度上削减了所需GFM-ESS的总容量。优化过程自变量a部分结果如表2所示,PSO算法整个优化过程如图9所示。
表2 自变量a随迭代次数变化结果 
图9 PSO算法优化过程
图9中,纵轴表示适应度值(即目标函数值),横轴为迭代次数。可见,PSO算法在前10次迭代内目标函数值迅速下降,表明粒子群在初期阶段已高效逼近最优解。此后,适应度曲线逐渐趋于平稳,并在第10次迭代后收敛至全局最优值19.9798,这验证了所构建的优化模型具备良好的收敛性与稳定性。
按照上述配置结果,在节点6和节点12配置对应容量的GFM-ESS,再重新计算全系统导纳矩阵行列式特征根,得到系统谐振模态如表3所示。
表3 优化后系统模态 
可见,经过PSO优化配置后,原本不稳定的2个谐振模态1.7±1186.6i和3.2±1283.3i变为实部满足稳定裕度要求的-10.4±1201.2i和-6.3±1328.3i。配置GFM-ESS后的仿真结果如图10所示。在大约0.5 s之后,系统稳定运行,不存在发散失稳状态,证实了上述优化结果的正确性。
图10 优化后仿真结果
3.2.2 经济性对比
储能系统的投资成本通常与其额定容量成正相关,包括电池系统、辅助设施以及并网工程等在内的各项支出均随容量增加同步提升。因此,在保证系统稳定性的前提下削减GFM-ESS的总装机容量,能够显著降低投资成本。本工作所提出的技术链通过优化GFM-ESS的接入位置与容量,在提升系统稳定性的同时实现经济性设计,其优势主要体现在配置容量的有效削减上。
为定量分析该优化策略在经济性方面的表现,对比构建了非优化条件下单节点逐增GFM-ESS容量方案,并观察系统关键谐振模态的变化趋势。分别选取节点8与节点12作为GFM-ESS接入点,逐步提升并网容量,记录模态3与模态4(振荡关键模态)的变化结果,如表4所示。
表4 单节点逐增GFM-ESS容量关键模态结果 
由表4可见,在节点8并网GFM-ESS时,系统模态3与模态4的实部在60 MW与120 MW容量下均未满足稳定性要求(实部小于-6),且随着容量提升至240 MW,模态3的实部甚至变为正值,这表明系统出现不稳定趋势,存在“容量越大,系统越不稳定”的潜在风险。
相比之下,在节点12并网GFM-ESS时,通过将容量增加至69 MW,可勉强将所有模态实部控制在-6以下,满足稳定性约束。然而所需容量已接近70 MW,仍显著高于本工作提出的优化配置方案所需的总容量60 MW。
综上所述,本工作所提出的优化配置方法在不牺牲系统稳定性的前提下,相较于传统单节点配置方式实现了约13%的容量削减,进而降低了系统投资成本,验证了所提技术链在构网型储能经济配置方面的实用价值。
4 结 论
本工作融合s域模态分析与PSO算法,提出了一种构网型储能优化配置策略,构建了包含新能源装置的全系统s域模型,并通过归一化参与因子精确量化各节点对谐振模态的贡献度。该策略协同优化GFM-ESS容量与选址方案,在满足系统稳定裕度要求的前提下显著削减了储能总配置容量,实现了系统稳定性与经济性的高效平衡。典型12节点新能源系统仿真结果表明,所有谐振模态实部均达到预定稳定裕度阈值,验证了所提方法的可行性,为满足经济性约束下配置GFM-ESS以提升系统稳定裕度提供了切实可行的工程指导方案。
第一作者:胡朝华(1972—),男,硕士,高级工程师,研究方向为电网规划技术;
通讯作者:胡鹏飞,博士,研究员,研究方向为电网规划技术。
免责声明:本站所有信息均来源于互联网搜集,并不代表本站观点,本站不对其真实合法性负责。如有信息侵犯了您的权益,请告知,本站将立刻删除。












